18653404668
联系人:刘经理
手 机:18653404668
电 话:0534-2551998
地 址:山东省德州市天衢中路绿城百合商务港

近日,山东省发改委、工信厅、能源局联合印发《山东省零碳园区建设方案》(鲁发改环资〔2025〕512号),标志着山东正式加入零碳园区建设“先锋队”。
这份文件的发布,不仅是一省政策,更是对2025年6月国家发改委等三部门《关于开展零碳园区建设的通知》的率先响应,一场席卷全国的零碳园区建设浪潮正全面展开。
零碳园区:为什么是现在?
园区作为…

中国工程院院士、中国城镇供热协会副理事长、供热技术专委会主任、清华大学建筑节能研究中心教授江亿在“中国国际零碳供热高峰论坛——城市低碳综合能源体系与供热安全保障国际会议”作了题为“工业生产用热的零碳路径”的演讲。介绍了工业生产供热的主要制备方式、工业生产用蒸汽面对的挑战、采用热泵制备热量的主要困难、余热制备工业用蒸汽实现工业生产零…

摘要:随着低碳要求的逐步提高,工业园区供蒸汽逐渐成为一个难题。本文介绍几种供蒸汽的方式,在不同的碳排放要求下提供不同的解决方案,助力工业园区实现低碳或零碳排放,降低园区能源成本。
蒸汽是很多工业园的重要生产能源。随着环保和降碳要求的逐步提高,蒸汽供应逐渐成为各个园区降低碳排放的难题。

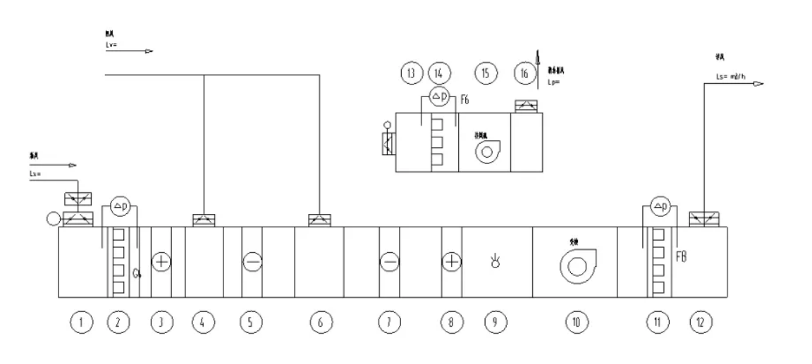
在药品生产过程中,空调系统(hvac)扮演着至关重要的角色,它通过对温度、湿度、空气清净度及空气循环的精准控制,为药品生产提供符合要求的环境。
一、hvac系统构造及其组件
hvac系统即heating,ventilation,air-conditioningandcooling(供热、通风、空气调节与冷却)系统,是一…

工业节能降碳迫在眉睫的核心原因在于工业领域占我国总碳排放的70%以上、能源消耗强度仍为世界先进水平的1.5倍。若不加速转型,不仅难以实现'双碳'目标(2030年前碳达峰、2060年前碳中和),还将面临国际碳关税(如欧盟cbam)、产业竞争力下降等风险。

组合式空调机组
空气处理设备
组合式空调机组是由各种空气处理功能段组装而成的一种空气处理设备。适用于阻力大于100pa的空调系统。机组空气处理功能段有空气混合、均流、过滤、冷却、一次和二次加热、去湿、加湿、送风机、回风机、喷水、消声、热回收等单元体。
产品简介
组合式空调机组风量从3500m3/h至200000m3/h计30种规格共12…

洁净空调系统是为了使洁净室内保持所需要的温度、湿度、风速、压力和洁净度等参数,向室内不断送入一定量经过处理的空气,以消除洁净室内外各种热湿干扰及尘埃污染的系统。
基本构成
洁净空调系统基本由下列设备构成:
1. 加热或冷却、加湿或去湿以及净化设备;
2. 将处理后的空气送入各洁净室并使之循环的空气输送设备及其管路;

玻镁净化板是以氧化镁、氯化镁等为主要原料,经过加工制成的复合材料。其具有重量轻、强度高、耐腐蚀、防火防潮、环保无毒、易于加工等特点,被广泛用于净化、隔断、装饰等领域。
玻镁净化板的主要原料包括氧化镁、氯化镁等,这些原料经过不同的加工工艺和配方,可以生产出不同规格、性能的玻镁净化板。在生产过程中,还可以添加一些其他的添加剂和填充…

经常有人问,什么样子的净化车间算是顶级的呢?是价格越贵的空气过滤器,过滤的效果越好么?我们应该怎么去鉴别空气过滤器是否该更换?等等系列问题,别急,下面让昊泽净化来给大家简单的了解一下,希望能够帮到大家。
在这里,我先说明一下,并不是越贵的就越好,首先我们要去观察空气过滤器的自身…

手工岩棉净化板以玄武岩为主要原料,经过高温熔融后制成的人造纤维材料,具有出色的绝热、隔音以及化学稳定性。其表面可加工成多种样式,不仅外观平整且不易老化。
从使用范围来看,手工岩棉净化板在工业厂房的建设中,特别是在对消防安全有较高要求的场所,如电子…
版权所有 © 山东昊泽净化科技有限公司 备案号:鲁ICP备2024086857号
技术支持:某某网络